

产品规格确认书
| Approved by 客户签名栏 | 客户签名 |
| Project Name&Item 产品名称及编号 | JWSH-T097A |
| Working Voltage 工作电压 | 2.4V~3.6V |
备注说明(请选择) | LCD选择 ■单排 ■双排 □多排 |
Picture 产品样片 |
|
| Version 版本 | V1.0 |
| Remark 备注 | 1、规格书仅供参考!以实际样品功能为准! |
| 2、以上资料如有更新我司将不另行通知,客户在应用本产品前请确认是否为Z新版本; | |
| 3、对于客户的不正确应用所带来的任何后果,我司不承担任何责任! | |
| 4、本公司可以根据客户要求对本产品进行改版或重新设计,详情请具体来电垂询! |
一、Features ( 产品特性 )
★单排显示表头产品;
★五个按键:[MODE],[UP],[DOWN],[ENTER],[RESET];
★绑定选择速度类产品或计数类产品,轮径,公英制,有无心率板;
★主要功能包括:SCAN、SPEED、DIST、TIME、DOD 、CAL、PULSE. COUNT、RPM等;
★适用:踏步机、健身车、划船器等多种健身仪表。
二、I/O Mapping ( 脚位映射 )
名 称 | 脚位 (I/O) | S4S3S2S1 = XXXX | 轮径(英寸) | DIST DISPLAY | CAL计算方式 | ||
S1 | IOA0 ---- IOA7 | 0000 | 55.76” | 0.1 | +0.138/count | ||
0001 | 50.37” | 0.1 | +0.145/count | ||||
0010 | 16.9” | 0.1 | +0.049/count | ||||
0011 | 55” | 0.1 | +0.162/count | ||||
S2 | IOA1 ---- IOA7 | 0100 | 12” | 0.1 | +0.035/count | ||
0101 | 78” | 0.1 | +0.227/count | ||||
0110 | 20” | 0.1 | +0.049/count | ||||
S3 | IOA2 ---- IOA7 | 0111 | 1” | 0.01 | +0.006/count | ||
1000 | 1.7” | 0.01 | +0.011/count | ||||
1001 | 1.85” | 0.01 | +0.011/count | ||||
1010 | 2” | 0.01 | +0.012/count | ||||
1011 | 2.5” | 0.01 | +0.015/count | ||||
1100 | 3” | 0.01 | +0.018/count | ||||
S4 | IOA3 ---- IOA7 | 1101 | 1:1 COUNT1 | +0.3125/count | |||
1110 | 1:1 COUNT1 | +0.142/count(103) | |||||
1111 | 1:2 COUNT2 | +0.284/count | |||||
S5 | IOA4 ---- IOA7 | 公英制 | 0 | 公制 | 对计数类无效 | ||
1 | 英制 | 对计数类无效 | |||||
S6 | IOA5 ---- IOA7 | 有无心率板 | 0 | 有心率板 | |||
1 | 无心率板 | 不显示不测心率 | |||||
S7 | IOA6 ---- IOA7 | 心率符号 显示方式 | 0 | 无心率信号 显示心率符号 | |||
1 | 无心率信号 不显示心率符号 | ||||||
S8 | IOB0 ---- IOA7 | 速度类选择是ODO或RPM | 0 | ODO | |||
1 | RPM | ||||||
S9 | IOB1 ---- IOA7 | 无心率是 显示0或P | 0 | 显示0 | |||
1 | 显示P | ||||||
Signal in | IOB5 | - | 信号输入脚 | ||||
Pulse In | IOB6 | - | 心率板信号输入脚 | ||||
Wireless Pulse In | IOB7 | - | - | 无线心率信号输入脚 | |||
Pulse En | IOA0 | - | - | 心率板使能脚 | |||
MODE | IOB0 ---- VDD | - | - | 模式键 | 选择显示项目 | ||
UP | IOB1 ---- VDD | - | - | 递增键 | 增加设定值 | ||
DOWN | IOB2 ---- VDD | - | - | 递减键 | 减少设定值 | ||
RESET | IOB3 ---- VDD | - | - | 复位键 | 设定值清零 | ||
ENTER | IOB4 ---- VDD | - | - | 设置键 | 选择设定项目 | ||
三、Operation Function ( 功能说明 )
1、 AUTO LCD OFF(HALT) FUNCTION:
如超过256秒无距离讯号输入或KEY IN,则自动进入SLEEP状态,当有讯号输入或KEY IN可重新工作,且除TIME外所有功能数值皆保留(TIME清零),并处于SCAN FUNCTION(由SCAN TIME功能开始)。注:有心率信号也可进入睡眠
2、 POWER ON FUNCTION:
当电池装入时,LCD所有图形全显示1秒同时蜂鸣器响一声后,回到SCAN FUNCTION(由SCAN TIME功能开始)。
3、 SCAN FUNCTION
3.1、 SCAN功能,每6秒循环显示一个功能。
当SPEED时, TIME ODO/RPM CAL SPEED DIST
当COUNT时, TIME TOTAL COUNT CAL RPM COUNT
4、 TIME:
4.1、 MIN:0分0秒,MAX:99分59秒
4.2、 TIMER区分Count up及Count down计算, TIME无设定时采用Count up计算,有设定值时采用Count down计时。
4.3、 TIME采用Count up计算时,计数范围为0:00~99:59,溢位时归零重新计算。
4.4、 TIME采用Count down 计算时,设定范围为1:00~99:00(设定Time时,秒数自动归零),当Count down到零时,蜂鸣器alarm 12秒48声,同时冻结当时显示TIME画面并停止所有计算显示,若alarm 12秒或UESR压任一按键强制停止alarm后仍有讯号继续输入时,则TIME会重新采用count up方式计时。
4.5、 当无讯号输入后,TIME功能显示会于4秒内停止计时。
5、 SPEED:
5.1、 DISPLAY RANGE:0.0~99.9 MPH/KPH。
5.2、 WORKING RANGE:15~3000RPM。
5.3、 计算公式:
KPH=WHEEL SIZE*2.54*3.1416*RPM*60/100/1000
MPH=WHEEL SIZE*2.54*3.1416*RPM*60/100/1000/1.60934
5.4、 无讯号输入后,SPEED功能显示会于4秒内将数值归零。
5.5、 显示值超出99.9 MPH/KPH,则显示“E”。
6、 DISTANCE
6.1、 DISTANCE区分Count up及Count down计算,DISTANCE无设定时采用Count up计算,有设定值时采用Count down计算。
6.2、 DISTANCE采用Count up计算时,计数范围为0.00~99.99(3”以下尺寸),0.0~999.9(4.88”以上尺寸)KM/MILE,溢位时重新计算,依OPTION 选择KM or MILE。
6.3、 DISTANCE采用Count down计算时,设定范围为1.00~99.00(3”以下尺寸),1.0~999.0(4.88”以上尺寸)KM/MILE (设定DISTANCE时,小数点以下位数自动归零),当Count down到零时,蜂鸣器alarm 12秒48声,同时冻结DIST显示画面并停止所有计算显示,若alarm 12秒或UESR压任一按键强制停止alarm后仍有信号继续输入时,则DISTANCE会重新采用Count up方式计算。
6.4、 DISTANCE依所选之轮径来决定小数点的显示位数计数。
7、 COUNT
7.1、 COUNT依绑定选择决定计算方式:
a. 当选择S4S3S2S1=1101 or 1110时为COUNT1。(1 INPUT=1 COUNT)
b. 当选择S4S3S2S1=1111时为COUNT2。(2 INPUT=1 COUNT)
7.2、 COUNT区分Count up及Count down计算,COUNT无设定时采用Count up计算,有设定值时采用Count down计算。
7.3、 当采用Count up计算时,计次范围为0~9999,溢位时归零重新计算。
7.4、 采用Count down计算时,设定范围为10~9990(设定COUNT时,个位数值自动归零),当Count down到零时,蜂鸣器alarm 12秒48声,同时冻结count显示画面并停止所有计算显示,若alarm 12秒或UESR压任一按键强制停止alarm后仍有信号继续输入时,则COUNT会重新采用Count up计算。
8、 RPM:
8.1、 WORKING RANGE:15~3000 RPM
8.2、 无讯号输入后,RPM功能显示会于4秒内将数值归零。
9、 CALORIES
9.1、 CALORIES区分Count up及Count down计算,无设定时采用Count up计算,有设定值时则采用Count down计算。
9.2、 当采用Count up计算时,计数范围为0.0~999.9,溢位时归零重新计算。
9.3、 采用Count down计算时,设定范围为1.0~999.0(设定CALORIES时,小数值自动归零),当Count down到零时,蜂鸣器alarm 12秒48声,同时冻结CAL显示画面并停止所有计算显示,若alarm 12秒或UESR压任一按键强制停止alarm后仍有信号继续输入时,则CALORIES会重新采用Count up计算。
10、 ODO
10.1、 采用Count up计算,其计数范围为0~9999(实际要须如此无小数字),与DISTANCE功能同步计算动作,溢位时归零重新计算。
10.2、 ODO功能不受任何按键执行归零动作,除非REPOWER ON才可将数值清除为零。
11、 TOTAL COUNT
11.1、 当采用Count up计算时,计次范围为0~9999,与COUNT功能同步计次动作,溢位时归零重新计算。
11.2、 TOTAL COUNT功能不受任何按键执行归零动作,除非REPOWER ON才可将数值清除为零。
12、 PULSE
12.1、 显示在PULSE Digital;按MODE key切换到PULSE状态下时,则开启PULSE ENABLE功能,此时方可量测心跳,若连续16秒无心跳讯号输入(无论何种功能模式下),则关闭PULSE ENABLE功能,若于在PULSE 功能下则并同时跳离PULSE状态,回到SCAN FUNCTION(由SCAN TIME功能开始)。
12.2、 其显示范围为40~200,当POWER ON或ALL RESET或PULSE无讯号输入时其数值显示0或P(根据绑定选择)。-要求可用选点来控制为0或P显示:不连点为0,连点时为P显示
12.3、 无线心跳侦测功能于BUZZER 哔时,需HOLD其心跳值及维持心跳MARK FLASH,不去计算alarm时的心跳数值,避免其他的噪声干扰而产生PULSE自跳现象。
12.4、 采用手握心跳及无线心跳共享,分别二个Port输入,(2个信号同时时以手握为先)
12.5、 8秒无心率信号显示0或P, 无心率报警功能
12.6、 心跳符号闪三下出数字,且出字在72-82间,也就是不同时间或不同人测试时开始出的数字不完全一样。若输入讯号大于240以上或小于40以下,均判定为噪声不处理,屏幕固定显示0或P。
12.7、 PULSE IN时,心型符号固定以750ms闪烁一次,每次亮的时间为250ms。
13、 声音指示(Buzzer)
13.1、 于Press Key时,有Bi声62.5ms做press Key时确认指示.
13.2、 当Count DOWN 至零时,Alarm 12秒48声
Bi_ Bi _ Bi _Bi * Bi_ Bi _ Bi _Bi * Bi_ Bi _ Bi _Bi
(Bi=62.5ms, *=500ms,_=62.5ms)
13.3、 蜂鸣器Z大声响频率为2048 HZ,工作周期为1/2 Duty。
14、 KEY FUNCTION
14.1、 MODE KEY:选择速度类产品时,可以选择所需显示的功能状态。
SCAN TIME ODO CAL PULSE SPEED DIST
或
SCAN TIME RPM CAL PULSE SPEED DIST
14.1.1、当选择计数类产品(COUNT功能时)选择顺序如下:
SCAN TIME TOTAL CNT CAL PULSE RPM COUNT
14.1.2、 若连续按压此键2秒,将所有功能归零(ODO及TOTAL COUNT除外),并回到SCAN FUNCTION(由SCAN TIME功能开始)。
14.2、 ENTER/SELECT KEY:若于无讯号输入STOP状态下,按压此键可以执行各项功能数值之设定。
14.2.1 当OPTION S4S3S2S1=0000~1011(SPEED功能时)选择顺序如下:
TIME CALORIES DISTANCE
14.2.2 当OPTION S4S3S2S1=1100~1110(COUNT功能时)选择顺序如下:
TIME CALORIES COUNT
14.2.3 若于STOP状态下,按此键时依序设定FUNCTION其相对应之LCD FLASH每秒一次,等待输入数值,可压UP or DOWN KEY调整设定值。
14.2.4 若有讯号输入于START状态下,按压此键可以选择各项功能显示。
选择速度类产品时,可以选择所需显示的功能状态:
SCAN TIME ODO CAL (PULSE) SPEED DIST
或 若绑定选择为无心率板,要跳过PULSE
SCAN TIME RPM CAL PULSE SPEED DIST
当选择计数类产品(COUNT功能时)选择顺序如下:
SCAN TIME TOT CNT CAL PULSE RPM COUNT
14.2.5 若于无讯号输入STOP状态下,若连续按压此键2秒,将所有功能归零(ODO及TOTAL COUNT除外),并回到正常显示(SCAN模式)。
在设置状态下,短按MODE键无效。20秒无按键自动退出设置状态。
14.3、 UP key
14.3.1、 于TIME设定状态,可压此键做往上加1之设定,其默认值为0:00
0:00→1:00→…→98:00→99:00
14.3.2、 于DISTANCE设定状态,可压此键做往上加1之设定,其默认值0.0
0.0(0.00)→ 1.0→ …→ 998.0(98.0)→999.0(99.0)
14.3.3、 于CAL设定状态,可压此键做往上加10之设定, 其默认值为0.0
0.0→ 10.0→ …→ 9980→9990
14.3.4、 于COUNT设定状态,可压此键做往上加10之设定,其默认值为0
0→10→20→…→9970→9980→9990
14.4、 DOWN key
14.4.1、 于TIME设定状态,可压此键做往下减1之设定,其默认值为0:00
0:00→99:00→98:00→…→1:00
14.4.2、 于DISTANCE设定状态,可压此键做往下减1之设定,其默认值0.0
0.0(0.00)→999.0(99.0)→998.0(98.0)→…→1.0
14.4.3、 于CALORIES设定状态,可压此键做往下减10之设定, 其默认值为0.0
0.0→9990→9980→…→…→10.0
14.4.4、 于COUNT设定状态,可压此键做往下减10之设定,其默认值为0
14.5、 RESET key
14.5.1、 在STOP的状态下,按压此键可将所有功能的设定值及累计值重置(TOTAL COUNT及ODO除外),并回到SCAN FUNCTION(由SCAN TIME功能开始)。
14.5.2、 于各个功能之设定状态时,若按压此键,仅将该设定值RESET;如TIME、DISTANCE、CALORIES及COUNT值。
14.6、 RESET功能:
14.6.1、 MODE key连续按压2秒,将所有功能重置(TOTAL COUNT及ODO除外),并回到SCAN FUNCTION(由SCAN TIME功能开始)。
14.6.2、 停止状态下ENTER key连续按压2秒,将所有功能重置(TOTAL COUNT及ODO除外),并回到SCAN FUNCTION(由SCAN TIME功能开始)。
14.6.3、 RESET key按压1下,将所有功能重置(TOTAL COUNT及ODO除外),并回到SCAN FUNCTION(由SCAN TIME功能开始)。
15、LCD自检模式
长按MODE键6秒,进入LCD自检模式,在此状态下不检测任何信号,
按任意按键退出该模式,此模式不进入睡眠
四、 LCD Photo (LCD显示) 1/8Duty、1/4bias、3.0V


参数:1/3Duty、1/3bias、3.0V
SPEED功能 Scan speed dist. time odometer cal pulse… 绑定为ODO
SPEED功能 Scan speed dist. time rpm cal pulse… 绑定为RPM
COUNT功能 Scan rpm count time total count cal pulse…

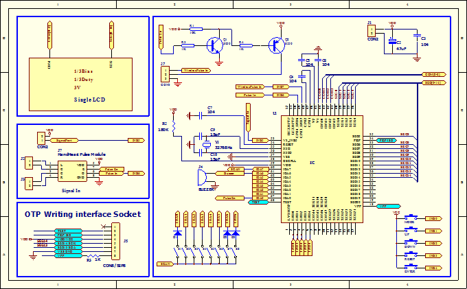
五、Application Circuit ( 应用线路图 )

注﹕晶振宜选用高精度,位置需尽量靠近IC.
六. Electrical Specification(电气特性)

七. PAD Assignment ( 绑定脚位图 )


联系人:汪先生
手 机:13818541390
座 机:0512-36874515
网 址:www.ksxxdz.com
地 址:江苏省昆山市花桥镇花安路169号中寰广场写字楼935室